2012 Chiron FZ 08 Magnum CNC Vertical Machining Center

No longer available
2012 Chiron FZ 08 Magnum CNC Vertical Machining Center
Location:United States
Description
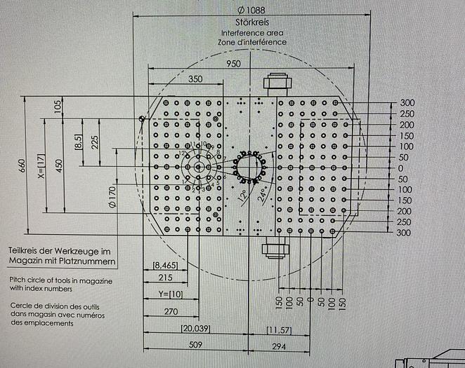
Fanuc 31i A5 CNC Control | Walk Switch | Hydraulic Unit | 12 Position CHIRON Basket-Tool-Changer | 50Hz European Machine
Specifications
| Manufacturer | Chiron |
| Model | FZ 08 W Magnum |
| Year | 2012 |
| Condition | Used |
| Stock Number | 22466 |
| Pallet Size: | 2 x 660 x 350 mm (Approx. 2 x 25.98" x 13.78", See Drawing Photo) |
| Spindle Taper: | HSK A32 |
| Spindle Speeds: | to 15,000 RPM |
| X/Y/Z-Axis Travels: | 11.81"/ 9.84"/ 9.84" (300mm/25mm/250mm) |






